泊头市海源环保机械有限公司
联系我们
|
收藏本站
|
网站地图
网站首页
|
关于我们
|
除尘产品
|
公司动态
|
售后服务
|
客户留言
|
联系我们
|
公告:
泊头市海源环保机械有限公司为您供应各类除尘设备以及各种配套除尘配件,我们将认真的走好每一步,期待与您的合作。
24小时服务热线:15132779991
产品导航
布袋除尘器
静电除尘器
旋风除尘器
湿式除尘器
除尘布袋
除尘骨架
电磁脉冲阀
电磁阀膜片
卸料器(卸灰阀)
输送机系列
脉冲控制仪
阳极板
电晕线
气缸系列
插板阀系列
其他除尘配件
热点产品
技术信息
星型卸灰阀
关风机
FMQD-Ⅲ型气箱式脉冲袋式收尘
闭风器
防尘布袋
高温除尘布袋
涤纶针刺毡
星型-B型卸料器
淹没式电磁脉冲阀DSF-50
电动插板阀
直角式电磁脉冲阀DMF-Z-20
工业除尘器布袋更换办法和长
常温除尘布袋特性和除尘布袋
覆膜二防除尘布袋优点和美塔
工业常温覆膜除尘布袋优点及
除尘布袋加工方法和除尘器布
高温除尘布袋类型和除尘布袋
长时间使用的除尘布袋是清洗
除尘骨架的特性和应用体现
锅炉用啥除尘滤袋不结露排放
锅炉除尘器技术显著提高
脉冲布袋除尘器滤料的性能
海源除尘布袋对环保的重要性
| 除尘产品
海源除尘
>
除尘产品
>
电磁脉冲阀
>
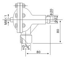
QMF-20P-A型电磁脉冲阀
技术咨询
Telephone counseling
15132770992
我要订购
Ordering
15132779991
产品详细参数: 点击:次
该阀技术性能与QMF-20P型脉冲阀相同,所不同的为G3/4”管螺纹,出口与喷吹管连接采用耐压胶管连接。该阀与KD×-l型电磁阀配套能两阀问严密.运行稳定。
查看与 |
QMFD-100型电磁脉冲阀
|
DSF淹没阀
|
KXD型电磁脉冲阀
|
DMF-Y型淹没阀
|
相关产品
相关内容
以除尘方式来选择合适的除尘布袋
世间**海源环保除尘布袋车间期待与
除尘布袋中的“三大巨头”
除尘布袋在环境保护中的作用
海源环保除尘布袋车间祝您中秋佳
除尘布袋公司发展关键点
推荐产品
直角式电磁脉冲阀DMF-Z-20
上一篇:
KXD型电磁脉冲阀
下一篇:
DMF-T电磁脉冲阀
网站首页
|
除尘产品
|
公司动态
|
客户留言
|
关于我们
|
联系我们
Copyright © 201-2012 www.hyhbcc.com all rights reserved
地址:河北省泊头市工业开发区 手机:15132779991 15132770992 邮编:062150
E-mail:hyhbcc@163.com 泊头市海源环保机械有限公司 版权所有
分享到: